Preface
Proper use, maintenance, and care of the equipment play an important role in ensuring normal operation, preventing equipment failures and accidents, extending the service life of the equipment, and maximizing its economic efficiency. Equipment operators must undergo professional training and pass examinations before they can begin work. During operation, they must strictly comply with safety operation and maintenance procedures, and any violation of these rules is strictly prohibited.
Equipment maintenance should follow the principle of “prevention first,” eliminating potential faults in their early stages. The main tasks are to prevent loosening of connections and abnormal wear, to ensure that operators use the equipment correctly in accordance with the operating regulations, to prevent accidents, extend service life and maintenance intervals, ensure safe operation, and provide the production process with equipment in its optimal condition.
It is essential to adhere to the principle of combining operation with maintenance. In daily maintenance work, operators should achieve the “Three Goods” (manage well, use well, maintain well); the “Four Skills” (know how to operate, know how to maintain, know how to inspect, know how to troubleshoot); and follow the “Five Fixed Lubrication Rules,” which refer to fixed personnel, fixed schedule, fixed quality, fixed quantity, and fixed point.
Operators of all types of equipment must carry out regular and designated maintenance according to these regulations for the equipment they use, including robots, ground rails, cantilevers, gantries, equipment tracks, welding machines, and transmission systems.
Maintenance and Care of the Guide Rail Rack
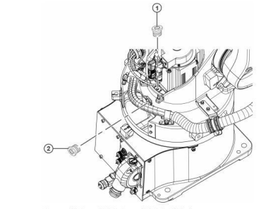
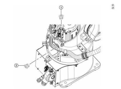
After long-term use and wear, a large amount of grease and sludge will accumulate on the guide rail rack, as shown in the figure below. This sludge is mainly formed by the mixture and friction of metal dust produced during the welding process and lubricating oil. Since the sludge consists entirely of metal particles, if not cleaned for a long time, it will accelerate the wear of the guide rail and the ball bearings in the slider. Prolonged friction can lead to a loss of guide rail precision.
Solution method: Wipe off the sludge with a clean cloth. For areas with strong adhesion, use fine abrasive cloth to remove it, or soak with kerosene and then wipe clean.
Note: Use special 00# lubricating grease for guide rail lubrication.
Maintenance cycle: After each work shift, wipe the guide rail once with a clean cloth. During summer or humid seasons, when oil adheres to the surface, use a brush to spread it evenly to prevent the guide rail from rusting.
Use of the Oil Injection Lubrication System
The ground rail workstation is equipped with an automatic timed or PLC program–driven lubrication system. Automatic lubrication points are installed at locations such as the gears, sliders, and racks of each moving axis. Grease is stored in grease packs or grease tanks. When using an oil tank for lubrication, the injection amount of lubricating grease should be 1/3 to 1/2 of the cavity volume: for low-speed operation, add grease up to 2/3 of the cavity; for high-speed operation, add grease up to 1/2 of the cavity.
For PLC program–driven oil pumps, grease packs are used for oil supply. Be sure to purchase and use the specified grease grade (00#). Regularly check the grease level in the pack, and replace it promptly when it is nearly exhausted.
When using a timed lubrication system, each piece of equipment should have its oiling time and quantity reasonably set according to actual operating conditions. (Recommended oil pump injection time: 12–18 seconds; interval: once every 2 hours; power the oil pump 1 day per week, and keep it powered off during the remaining time.) This ensures that the guide rails, sliders, racks, and gears receive adequate lubrication without causing excessive oil accumulation or leakage due to over-lubrication.
When using a program-driven lubrication system, run the lubrication program for each moving axis at least once every 7 days. Also, inspect the oil supply and discharge ports for any leakage; if leakage is found, handle it immediately.
The following shows the picture of a timed-type oil pump.
The following shows the picture of a PLC program–driven oil pump
Surface Dust Removal of the Equipment
After long-term use of equipment such as robots, welding machines, and electrical control cabinets, a large amount of dust, oil stains, and sludge will accumulate on the surface due to workshop environmental conditions. This buildup affects the equipment’s appearance, operating accuracy, and normal functionality, and therefore needs to be cleaned regularly.
Solution method: Wipe off the sludge with a clean cloth. For thicker, hardened sludge, use a steel scraper to remove it. Floating dust inside control cabinets can be blown away using an air pump gun.
Maintenance cycle: Wipe surface dust and oil stains once a week with a clean cloth. Floating dust inside closed spaces such as control cabinets should be blown out with an air pump at least once a month.
Cleaning and Maintenance of Equipment Exhaust Fans
The exhaust and cooling system is an important part of the equipment, including the exhaust systems of the welding machine, robot control cabinet, and additional axis cabinet. Whether this system functions properly has a significant impact on the service life and performance of the equipment. Therefore, its maintenance and care are extremely important to ensure the normal operation of the exhaust fan and to keep the exhaust outlet free from dust blockage.
Solution method: Use tools such as a high-pressure air gun to blow away dust from inside the cooling mesh cover.
Maintenance cycle: Determined according to the on-site environment; under normal conditions, clean once a month.
Use and maintenance of the teaching pendant
The robot’s teach pendant is frequently used and is one of the most vulnerable parts. Faults can include touchscreen damage, touchscreen malfunction, cable breakage, and loose cable connections.
Solution: Use the teach pendant properly and avoid pulling or yanking the cable. The teach pendant must be used with a protective film. Check the protective film regularly for damage and replace any damaged film promptly. The teach pendant must be hung on the teach pendant bracket when not in use.
Maintenance and Care of the Welding Machine
Warning! Electric shock can be fatal.
Before opening the equipment:
- Turn the main switch to the OFF position.
- Disconnect the equipment from the power supply.
- Prevent it from being reconnected.
- Use appropriate measuring instruments to ensure that live components (such as capacitors) have been discharged.
Principle overview: Under normal operating conditions, the welding machine requires very little maintenance. However, to ensure its service life, the following maintenance procedures must be followed.
Maintenance of the Welding Power Source
- The equipment number nameplate must be riveted at the specified position on the machine cover; otherwise, internal components may be damaged.
- The connection between the welding cable plug and the output socket must be tight and reliable; otherwise, the plug and socket may burn, causing instability during the welding process.
- Avoid short circuits between the welding cable and any metal objects on the ground to prevent output short circuits.
- Prevent damage or disconnection of welding cables and control cables.
- Avoid impact deformation, and do not place heavy objects on the welding power source.
- Ensure smooth ventilation.
- Regular inspection and maintenance are required.
Before maintenance, the following checks should be performed:
Check whether the front panel status and welding specification display are correct, and whether the buttons and knobs function normally.
Check whether the line voltage of the three-phase power supply is within the range of 340V–420V and whether there is any phase loss.
Verify that the input cable connections are correct and reliable.
Ensure the welding cable connections are correct and the contacts are good.
Check whether the gas circuit is in good condition and whether the gas regulator or mixer is functioning properly.
Note: The maximum voltage inside the welding power source reaches 600V. To ensure safety, it is strictly forbidden to open the machine cover without authorization. During maintenance, appropriate safety measures must be taken to prevent electric shock. When installing welding cables or replacing welding torch components, the power must be turned off.
Maintenance of the Wire Feeding Mechanism
During use, avoid contact with water or other corrosive liquids. If accidental contact occurs, wipe it off immediately and keep the wire feeder clean at all times.
After long periods of use, the wire feeding rollers and pressure rollers will experience wear. When the wear becomes significant enough to affect feeding stability, they should be replaced promptly.
To ensure smooth wire feeding, the wire feeding system should be cleaned regularly to prevent increased feeding resistance, which can affect feeding stability and welding quality.
Water cooler maintenance
The coolant should be replaced every 12 months. The disposal of waste coolant should refer to the coolant instructions.
How to drain the coolant:
- First, drain the coolant from the water tank through the drain port.
- Then use an air compressor to pump air into the outlet and return ports respectively, and drain the coolant in the water pump and radiator into the water tank.
- Then drain the coolant in the water tank again through the drain port.
The radiator should be cleaned of dust every 6 months. If the welding gun or cutting torch overheats, it may be caused by excessive dust in the radiator and insufficient cooling capacity of the water cooler. It should be cleaned with dry compressed air, as shown in the figure:

The filter should be cleaned every two months. The filter is removable, as shown in the figure. When impurities accumulate, it should be cleaned promptly. Remove the transparent filter cup/filter screen in the order 1-3 in the figure below, clean thoroughly with air from a compressor or running water, and then reinstall in the order 3-1 in the figure below. Improper installation may create gaps and reduce filtering effectiveness.
(Warning! Be sure to clean thoroughly and keep it clean during the cleaning process to ensure it is not contaminated again)

Notes:
- Please use coolant according to regulations to avoid radiator damage, water pump leakage and motor damage.
- Do not start the water cooler without coolant or with insufficient coolant, as this may damage the water pump or welding gun. (3) Do not use the water cooler in an environment containing silicon, acid, alkali or salt, as this may cause corrosion and leakage of the water cooler.
Coolant Considerations
Ambient temperature>5℃, water can be used as coolant in the water tank
Warning: The water quality standard is deionized water or distilled water, which must meet the water quality standards. Otherwise, the scale produced may cause water seal leakage, rust and jam of the water pump, and burn the motor.
When the ambient temperature is ≤5℃, antifreeze must be used as the coolant in the water tank.
Warning: You must use an organic antifreeze. Otherwise, the corrosion inhibitors in inorganic antifreeze can cause water pump seal leaks, welding torch overheating, or corrosion of the welding torch cable copper wire. We recommend using antifreeze that meets national standards and is used according to their requirements. Use antifreeze brands that clearly indicate “organic,” “OAT (Organic Acid Technology Antifreeze),” or “all-organic” in the name and ingredient list. Avoid using antifreeze products that clearly indicate the absence of inorganic salts, such as “free of phosphates, borates, silicates, nitrates, nitrites, and amines.” Avoid using antifreeze products that clearly indicate “inorganic” in the name or contain inorganic salts such as silicates in the ingredient list.

Functions of organic antifreeze: antifreeze, anticorrosion, anti-boiling, anti-scaling
The main indicator is the freezing point of the antifreeze.
When choosing antifreeze, its freezing point should be 10℃ lower than the lowest temperature in the area where it is used. For example, if the local temperature is as low as -15℃, choose antifreeze with a freezing point of -25℃ to ensure that the antifreeze will not freeze. If the antifreeze is not used according to regulations, the following consequences will occur:
- The radiator inside the machine is very easy to freeze and crack in winter.
- The copper wire in the welding gun cable is easily corroded and falls off, which enters the water pump and causes the water pump to wear and leak. (3) Scale is generated, causing waterway blockage or water pump jam.
Recommended manufacturer: Lucent 100 coolant
Model: Lucent 100 100% organic coolant Antifreeze degree: -27℃
Applicable areas: the lowest annual temperature is higher than -17℃ Specifications: 4kg
(Note! Do not mix different coolants. When changing coolant, make sure to replace all of them.)
Welding gun maintenance
In order to ensure the service life and excellent performance of the welding gun equipment, the welding gun system needs to be regularly inspected and maintained:
Daily inspection:
- Is there any abnormality in appearance?
- Please check the gun neck and integrated cable to see if they are normal before use. If damaged, they need to be repaired before use.
- If welding performance deteriorates, necessary cleaning and maintenance work is required.
- If the inner hole of the conductive nozzle is deformed or arc striking is difficult, the conductive nozzle should be replaced in time.
- If there is any problem with wire feeding, please replace the conductive nozzle and wire feeding tube in time.
- When parts are worn, please replace them with original welding materials in time.
Weekly inspection:
- Check the installation status of the integrated cable for excessive tension or twisting.
- Clean and maintain the gun neck to prevent spatter from bridging the conductive tip and nozzle and causing damage to the welding gun.
Monthly inspection:
- Remove the wire feed tube inside the integrated cable and clean it thoroughly with compressed air.
- Check hoses for wear.
- Check all joints and screws for looseness and pipelines for damage.
Annual inspection:If necessary, inspect and repair the electrical circuit.
Maintenance and Servicing of the Robot Body
KUKA robot maintenance and servicing include tightening anchor nuts and fastening bolts, lubricating the A1 cable assembly, changing the oil in the A1 reducer, A2 reducer, and A3 reducer, replacing the timing belts of A4, A5, and A6, and cleaning the robot. For maintenance intervals, refer to the following maintenance schedule.
KUKA Robot Maintenance Locations and Schedule Table
| Interval | Item | Task | Auxiliary substances and consumables |
| Once only, after 100 h | 6 | Check the tightening torque for anchor nuts and holding-down bolts. | |
| 5,000 h or 1 year at the latest | – | Carry out a visual inspection of visible flexible tubes for damage. In the case of damage and/or cracks, have the cable set exchanged by KUKA Service. | |
| 5,000 h or 1 year at the latest | 2 | Grease cable set A1 (See section 8.2 “Greasing cable set A1”, Page 164) | Lubricating grease Optitemp RB2, 200 cm³ |
| 5,000 h or 1 year at the latest | 1 | Exchange toothed belt A5 (See section 8.3 “Exchanging the toothed belt on A5”, Page 167) | |
| 20,000 h or 5 years at the latest | 4 | Oil change, gear unit A3 (See section 8.6 “Oil change in A3”, Page 185) | Optigear Synt. ALR 150, Initial filling quantity: 0.26 l |
| 20,000 h or 5 years at the latest | 3 | Oil change, gear unit A2 (See section 8.5 “Oil change in A2”, Page 181) | Optigear Synt. ALR 150, Initial filling quantity: 0.43 l |
| 20,000 h or 5 years at the latest | 5 | Oil change, gear unit A2 (See section 8.4 “Oil change in A2”, Page 173) | Optigear Synt. ALR 150, Initial filling quantity: 0.43 l |
Tightening of Connecting Bolts
The robot base and other components are primarily connected using high-strength bolts. Since these connections are subject to dynamic loads, bolts will inevitably loosen after a period of use, which can affect equipment operating accuracy and create safety hazards. The mounting brackets of the vision system and welding torch are also prone to loosening, causing deviations in vision accuracy.
Solution method: Check whether bolts are missing or loose, and use an electric wrench or a manual torque wrench (with preset torque values) to tighten the bolts to the specified torque.
The following table provides recommended pre-torque settings for various bolt connection points on the workstation.
Recommended Pre-Tightening Torque Table for Smart Workstation Equipment
| Serial No. | Installation Location | Bolt Specification | Pre-Torque Wrench Specification | Socket Specification | Pre-Torque Value |
|---|---|---|---|---|---|
| 1 | Welding Gun (Flange, Anti-Collision) Installation | M4 | Xiaofei 1/4 1–6N·M | H3 (Length 100mm) | 3.3N·M |
| 2 | Camera Flange Bracket Installation | M6 | Dafei 1/2 5–60N·M | H5 | 8.5N·M |
| 3 | Camera Box Installation | M3 | Xiaofei 1/4 1–6N·M | H2.5 | 1.2N·M |
| 4 | Motor Fixed Installation (Less than 3.14KW) | M8 | Dafei 1/2 5–60N·M | H6 (Length 230mm) | 20N·M |
| 5 | Motor Fixed Installation (3.14KW and above) | M12 | Dafei 1/2 60–330N·M | H10 (Length 230mm) | 128N·M |
| 6 | Motor Shaft Fastening Installation (1.5KW) | M6 | Dafei 1/2 5–60N·M | H5 (Length 90mm) | 16N·M |
| 7 | Motor Shaft Fastening Installation (3.14KW) | M8 | Dafei 1/2 5–60N·M | H6 (Length 90mm) | 30N·M |
| 8 | Motor Shaft Fastening Installation (5.5KW) | M20 | Dafei 1/2 60–330N·M | H14 (Length 100mm) | 330N·M |
| 9 | Robot Base Installation | M14 | Dafei 1/2 60–330N·M | H12 | 200N·M |
| 10 | Robot Base Installation | M16 | Dafei 1/2 60–330N·M | H14 | 200N·M |
| 11 | Cantilever, Gantry Column and Beam Connection | M20 | Dafei 1/2 60–330N·M | H14 (Length 100mm) | 330N·M |
| 12 | Connection Between Cantilever, Gantry Steel Column and Slide/Trolley | M20 | Dafei 1/2 60–330N·M | H14 (Length 100mm) | 330N·M |
| 13 | Connection Between Cantilever, Gantry Column Beam and Support | M20 | Dafei 1/2 60–330N·M | H14 (Length 100mm) | 330N·M |
Adjustment of the Traveling Track
During long-term operation of the ground rail, the traveling track may develop height variations or linear tilts, affecting travel speed and positioning accuracy, which can shorten service life and impact normal equipment functionality.
Solution method: Check whether the track shims are loose. Use a level or theodolite to measure the track’s levelness, and adjust the height if deviations are found. Inspect all transmission mechanisms to ensure smooth operation and absence of abnormal noises; address any issues promptly.
Maintenance cycle: Every 12 months of use, check the track’s levelness and straightness, and make adjustments if deviations are found.
Maintenance of Electrical Systems such as Distribution Boxes and Junction Boxes
The ground rail workstation is equipped with multiple electrical devices, including electrical control cabinets, network cabinets, and distribution boxes. The wiring is complex, and long-term use may lead to loose connections, exposed or detached cables, and poor contacts, which can cause short circuits, phase loss, and other risks, affecting normal operation and creating safety hazards. Regular inspection and maintenance are required.
Solution method: Check that circuit breaker wiring is secure, and that there are no exposed cables. Ensure that the neutral, live, and ground wires are correctly connected. Verify that cable routing is reasonable and free of tangling, and check that current and voltage are normal. Any abnormalities must be addressed promptly. Note: Turn off the power during inspection and observe safety precautions.
Maintenance cycle: Every 12 months of use, perform a comprehensive inspection and maintenance of wiring and power switches in distribution boxes, junction boxes, and network cabinets.
KUKA Robot Maintenance and Care Operation Work Instruction
Maintenance
Only maintenance and repair work described in this document may be performed.
Work that exceeds this scope may only be carried out by personnel spe- cially trained by KUKA. Information about KUKA College and its training program can be found at college.kuka.com or can be obtained directly from our subsidiaries.
In the case of support and repair services provided by KUKA, KUKA Serv- ice must be informed in advance about potential contamination or haz- ards.
Non-compliance nullifies warranty and liability claims.
Maintenance overview
Description
The maintenance intervals given in the tables are valid for the operating conditions specified in the technical data (>>> 4 “Technical data” Page 35). KUKA must be consulted in the event of deviations in working conditions or the use of special functions or applications.
A general inspection of the manipulator is recommended after 7 years or upon modifying its use. Please contact KUKA Service for this. If the robot is fitted with a KUKA energy supply system (optional), addi- tional maintenance work must be carried out.
Notice
Only auxiliary substances and consumables approved by KUKA Deutschland GmbH may be used. Non-approved auxiliary substances and consumables may cause premature wear and failure of assemblies.
Precondition
• The maintenance points must be freely accessible.
• Remove the tools and any additional items of equipment if they impede maintenance work.
Warning
Danger to life and limb due to unintended robot motions
When carrying out the following work, the robot must be moved several times between the individual work steps. Unintentional movements of the robot can cause death, serious injury or material damage.
- While work is being carried out on the robot, it must always be se- cured by actuating the EMERGENCY STOP device.
- If work is carried out on an operational robot that is switched on, the robot must only be moved at reduced velocity. It must be possible to stop the robot at any time by actuating an EMERGENCY STOP de- vice. Operation must be limited to what is absolutely necessary.
- Warn all persons concerned before switching on and moving the ro-
If oil temperatures of more than 333 K (60 °C) are reached during operation, shorter maintenance intervals must be observed; for this, consultation with KUKA Deutschland GmbH is necessary.
Maintenance table
Maintenance symbols
The overview may contain maintenance symbols that are not relevant
for the maintenance work on this product. The maintenance illustrations
provide an overview of the relevant maintenance work.
Maintenance Schedule
| Interval | Serial No. | Task | Auxiliary Materials / Consumables |
|---|---|---|---|
| Only once, after 100 hours | 5 | Check anchor nut and fastening bolt torque | — |
| 5,000 hours or at latest 1 year | 1 | Visually inspect for visible damage to protective hoses | — |
| 5,000 hours or at latest 1 year | 1 | If damaged and/or cracked, have KUKA service department replace cable assembly | — |
| 20,000 hours or at latest 5 years | 1 | Lubricate A1 cable assembly | Optitemp RB2 grease, 200 cm³ |
| 20,000 hours or at latest 5 years | 2 | A3 gearbox oil change | Optigear Synt. ALR 150, Initial fill: 0.38 L |
| 20,000 hours or at latest 5 years | 3 | A2 gearbox oil change | Optigear Synt. ALR 150, Initial fill: 0.72 L |
| 20,000 hours or at latest 5 years | 4 | A1 gearbox oil change | Optigear Synt. ALR 150, Initial fill: 0.62 L |
Up-to-date safety data sheets must be requested from the manufacturers of auxiliary and operating materials. Further information about the auxiliary substances and consumables used can be found under:
Greasing cable set A1
Description
The maintenance intervals given in the tables are valid for the operating conditions specified in the technical data (>>> 4 “Technical data” Page 35). KUKA must be consulted in the event of deviations in working conditions or the use of special functions or applications.
Equipment
The following equipment is required:
| Designation | Article number |
| Set of Allen keys 1.5; 2; 2.5; 3; 4; 5; 6; 8; 10 mm | – |
| Torque wrench min. 5 Nm to 50 Nm | – |
| Socket wrench set | – |
| Set of combination wrenches 6; 7; 8; 9; 10; 11; 12; 13; 14; 15; 17; 19 mm | – |
| Brush | – |
Material
The following material is required:
| Designation | Article number | Quantity |
| Lubricating grease Optitemp RB2 | (>>> 12.2 “Auxiliary and operating materials used” Page 216) | 0.3 kg |
Tightening Torques
The tightening torques can be found under: (>>> 12.1 “Tightening torques” Page 215)
These are valid for screws and nuts where no other specifications are given. Screws of strength class 10.9 and higher as well as screws with test certification may only be tightened once with the rated tightening torque. When the screws are first slackened they must be replaced with new ones.
Precondition
- The robot is accessible in the area of axis 1.
Work Safety
The maintenance intervals given in the tables are valid for the operating conditions specified in the technical data (>>> 4 “Technical data” Page 35). KUKA must be consulted in the event of deviations in working conditions or the use of special functions or applications.
Warning
Danger to life and limb due to unintended robot motions Unintended robot motions may result in death, severe injuries and dam- age to property.
- Secure the robot by pressing the EMERGENCY STOP
- Warn all persons concerned before starting to put it back into opera-
Warning
Direct contact with cable grease may have an adverse effect on health. Wear protective gloves and personal protective equipment. The general safety instructions and the safety data sheet must be observed.
Removing the cover from the base frame
- Remove 5 M6x8-10.9-A2K round head screws from the
- Take the cover with brush fitted carefully off the base
Figure: Cover on the base frame (example):
1 – Brush
2 – Cover
3 – M6x8-10.9 round head screw (5x)
Checking and greasing cable set A1
Procedure
- Carry out a visual inspection of the flexible tubes and clean If damage is detected, the cable set must be exchanged.
- Using a brush, grease the outside of the flexible tubes, the contact surfaces towards the base frame and the rear side of the
Wear protective gloves.
Figure: Cable set – base frame
1 – Cable set
2 – Rotating column
3 – Base frame
Mounting the cover on the base frame
Procedure
1. Push the brush onto the cover.
2. Place the cover with brush fitted around the base frame and align it.
3. Fasten the cover using 5 M6x8-10.9 round head screws.
Figure: Cover on the base frame (example):
1 – Brush
2 – Cover
3 – M6x8-10.9 round head screw (5x)
Concluding work
The following concluding work must be carried out:
• Remove grease residue.
• To spread the grease out evenly, move A1 of the robot.
8.3 A1 Oil Change
Description
The following instructions describe how to change the lubricating oil. These instructions are intended for trained personnel. If maintenance is to be performed by untrained personnel, appropriate safety measures must be taken. Unauthorized personnel are not allowed to perform maintenance work. If the work is done by a third party, confirm that the work is complete and done correctly. The responsible operating personnel must verify this.
Tools
The following tools are required:
| Name | Part Number |
|---|---|
| Internal hex wrench set (1.5; 2; 2.5; 3; 4; 5; 6; 8; 10 mm) |
– |
| External hex wrench set (12; 14; 16; 20; 24; 30 mm) |
– |
| Combination wrench set (6; 7; 8; 9; 10; 11; 12; 13; 14; 15; 17; 19 mm) |
– |
| Torque wrench, adjustable from ≥ 20 Nm | – |
| Oil suction device | – |
| Collection container | – |
| KUKA Grease | 0000-180-812 |
| Maintenance document (M18x1.5) thread | 0000-341-661 |
Materials
The following material is required:
| Name | Part Number | Quantity |
|---|---|---|
| Optigear Synth. ALR 150 | >>>> fill in | 0.62 l |
When draining used oil, take care to prevent spillage. Used oil is harmful to the environment and human health. Use appropriate protective measures and dispose of used oil according to local regulations.
Ensure the oil fill quantity is accurate: 70% fill. Excessive or insufficient filling can cause malfunctions. After refilling, let the oil settle and check the level again. Only after verifying correct fill level should the next steps be continued.
Expansion Module
For the expansion module, see: 《3.2.1 “Expansion Module” Section 15.8》
If an expansion module is used, perform the operations according to the instructions for the expansion module.
When the ambient temperature is above 10.9°C, if the equipment has not been used for a long period, it is recommended to preheat the expansion module for one cycle. After that, carry out normal operation.
Preconditions
- Ensure that the control power is off and locked to prevent accidental start-up.
- Confirm that the robot has stopped moving.
- Ensure there is no residual pressure in the system.
Work Safety
| ⚠️ Caution |
The temperature and surface temperature of the robot may be high after shutdown. If the robot stops after long-time operation or under high-temperature conditions, wait until the temperature drops before performing maintenance or inspection. Wear heat-resistant gloves when handling parts. |
| ⚠️ Warning |
Moving parts of the robot arm can cause serious injury or death. Before entering the robot’s work area, ensure power is disconnected and the robot is fully stopped. Never enter the restricted area during automatic operation. |
8.3.1 Removing the Panel from the Main Body
Operation Steps
- Remove the upper cover by unscrewing five M6×10–8.8 bolts using a hex wrench.
- Remove the front cover by unscrewing three M6×10–8.8 bolts using a hex wrench.
- Remove the left and right side panels by unscrewing their fixing bolts.
Cover Plate and Brush on the Base
M6x10-8.8 Hexagon socket shoulder head bolt
M6 Hex nut with disc spring washer
Cover plate (short type)
Brush
Cover plate
Draining Gear Oil from A1
Operation steps:
Unscrew the M18x1.5 magnetic plug on the base and screw in the M18x1.5 oil drain hose.
Place an appropriate collection container under the oil drain hose.
Figure 8-6: Draining Gear Oil from A1 – Magnetic Plug on the Base
M18x1.5 Magnetic plug
M18x1.5 Oil drain hose
Collection container
Remove the M18x1.5 magnetic plug on the turntable to vent, then collect the discharged oil.
Figure: Draining Gear Oil from A1 – Magnetic Plugs on the Turntable
M18x1.5 Magnetic plug
M18x1.5 Magnetic plug (oil level hole)
Check the magnetic plugs for residues and clean them.
Measure the amount of drained oil and dispose of the used oil according to relevant regulations.
Refilling Gear Oil in A1
Operation steps:
Screw in the M18x1.5 oil drain hose.
Connect the oil pump to the M18x1.5 oil drain hose.
Refill gear oil through the M18x1.5 oil drain hose until it reaches the lower edge of the side oil level hole.
Clean the magnetic plugs, inspect the seals, and replace any damaged magnetic plugs.
Insert the two M18x1.5 magnetic plugs into the turntable and tighten to M = 20 Nm.
Remove the M18x1.5 oil drain hose and the oil pump.
Insert the two M18x1.5 magnetic plugs into the base and tighten to M = 20 Nm.
Figure: Refilling Gear Oil in A1 – Magnetic Plugs on the Base
Oil pump
M18x1.5 Oil drain hose
M18x1.5 Magnetic plug
Figure 8: Refilling Gear Oil in A1 – Magnetic Plugs on the Turntable
Upper M18x1.5 Magnetic plug
Side M18x1.5 Magnetic plug
Installing the Cover Plate on the Base
Operation steps:
KR CYBERTECH nano-2 ARC E
Place and align the two cover plates (including brushes) on the base.
Secure the cover plates with 2 M6 hex nuts (including disc spring washers) and 5 M6x10-8.8 hexagon socket shoulder head bolts.
Figure 8-10: Cover Plate and Brush on the Base
M6x10-8.8 Hexagon socket shoulder head bolt
M6 Hex nut with disc spring washer
Cover plate (short type)
Brush
Cover plate
The following final steps must be performed:
Remove any remaining oil.
Perform a visual inspection for any leaks.
Run the program in T1 mode and observe for any abnormalities.
The following work instructions describe the replacement of the gear oil for this axis. This instruction applies to floor-mounted robots. If the robot is side-mounted or top-mounted, ensure that all oil can be drained. If necessary, the robot must be disassembled and bolted to the floor.
For top-mounted robots, the oil inlet and outlet are reversed; adjust the operation steps accordingly.
Work tools:
The following work tools are required:
Materials
| Name | Part No. |
|---|---|
| Internal Hexagon Wrench Set 1.5, 2, 2.5, 3, 4, 5, 6, 8, 10 mm |
– |
| Torque Wrench | – |
| Torque Range Min. 2 Nm / Max. 20 Nm |
– |
| Oil Suction Device | – |
| Lubricant | KUKA Grease 0000-180-B12 |
| Sealing Washer (M18x1.5) | 0000-341-661 |
The following materials are required:
| Name | Part No. | Quantity |
|---|---|---|
| Optigear Synth ALR 150 | Refer to: 12.2.2 “Oil Change” Section 150 | 0.72 L |
Re-Adding Lubricant
| ⚠️ Caution | The lubricant used must be the same type and brand as originally used. When re-adding lubricant, ensure the working environment and oil cleanliness are maintained. Only personnel with the appropriate training should perform the procedure. |
The oil level should reach approximately 70% of the sight glass height. During re-addition, make sure no impurities or air bubbles enter the oil. Use a suitable oil suction device to avoid contamination. After re-adding oil, recheck the oil level after one full operating cycle.
Expansion Module
For details on the expansion module, see: 12.1 “Expansion Module” Section 15.8.
If an expansion module is used, follow the procedures specified for that module.
When the ambient temperature exceeds 10.9°C and the device has been idle for an extended time, it is recommended to preheat the expansion module for one cycle before use.
Preconditions
- Ensure the control power is turned off and locked to prevent accidental startup.
- Confirm that the robot has completely stopped moving.
- Ensure there is no residual pressure in the system.
Work Safety
| ⚠️ Caution |
The temperature and surface temperature of the robot may be high after shutdown. If the robot stops after long-time operation or under high-temperature conditions, wait until the temperature drops before performing maintenance or inspection. Always wear heat-resistant gloves when handling hot parts. |
| ⚠️ Warning | Moving parts of the robot arm can cause serious injury or death. Before entering the robot’s operating area, ensure power is disconnected, the robot is stopped, and the area is secured. – Turn off and lock the main power supply. – Only qualified personnel may perform maintenance. – Never enter the restricted area during automatic operation. |
8.4.1 Draining the A2 Gear Oil
Operating Steps
- Remove the M18×1.5 sealing screw and install the M18×1.5 drain hose.
- Position the collection container under the drain hose outlet.
- Unscrew the M18×1.5 oil filler screw to allow air flow and facilitate drainage.
- After oil is completely drained, remove the hose and reinstall the sealing screw.
- Dispose of the drained oil properly in accordance with local environmental regulations.

Figure 8-11: Draining A2 Gear Oil
1 — M18×1.5 Sealing Screw
2 — Collection Container
3 — M18×1.5 Drain Hose
8.4.2 Refilling the A2 Gear Oil
Operating Steps
- Insert the M18×1.5 filler hose into the opening.
- Fill the specified oil through the M18×1.5 filler port until the correct level is reached.




