AMIG PR Plus – Version Briefs, Before Commissioning and Robot System

 2. VERSIONS BRIEFS

Professional welding of special materials requires special welding parameters. Different models of the power sources are matched to different welding.

– AMIG 500 PR PLUS

This series inverter welding machine is specially designed for working with robot, equip with robot matching wire feeder, which communicate with robot through digital/analogue interface, and combine robot welding system. It has MIG, Pulse MIG, Fast Pulse MIG and Deep penetration welding processes.

 

3. BEFORE COMMISSIONING

Warning! Operating the equipment incorrectly can cause serious injury and damage. Do not use the functions described here until you have read and completely understood “safety rules”.

3.1 Utilization for intended purpose only

The power source may only be used for MIG, P-MIG, FP-MIG and DP-MIG welding. Utilization for other purposes, or in any other manner, shall be deemed to be “not in accordance with the intended purpose”. The manufacturer shall not be liable for any damage resulting from such improper use. Operate, inspect and maintain should follow all the instructions given in this manual

3.2 Machine installation rules

According to test, protection degree of this power source is IP23. However, the internal key components must be protected from direct soaking.

Warning! A machine that topples over or falls from its stand can cause injury. Place equipment on an even, firm floor in such a way that it stands firmly.

The venting duct is very important for safety protections. When choosing the machine location, make sure it is possible for the cooling air to freely enter and exit through the louvers on the front and back of machine. Any electro conductive metallic dust like drillings must not be allowed to get sucked into the machine.

3.3 Power source connection

  • The power source is designed to run on the voltage given on the nameplate.
  • The mains cables and plugs must be mounted in accordance with the relevant technical standards.
  • The power supply sockets that come with power source are designed to use strictly according to the marked voltages.
Note! Inadequately dimensioned electrical installations can lead to serious damage. The mains lead, and its fuse protection, must be dimensioned in accordance with the local power supply. The technical data shown on the nameplate shall apply.

3.4 Welding cables instruction

When welding, please pay attention to the followings:

  1. The welding cables should be kept as short as possible;
  2. If extended cable is used, please do as shown in Fig. 3-4-1.
Wrong
Coil the excess ground cable and welding cable in same direction respectively.
Wrong Cable Coil

Correct
Straighten the ground cable and welding cable and make them close to each other.

Bundle the ground cable and welding cable together, running the wires close to the ground.

Correct Cable Straightening

Correct
When the excess cables are only to be used by rolling up, coil the cables into two windings in reverse direction and overlap them.

The number of turns for A is the same as the number for B.

Handle the welding cable and ground cable according to the above-mentioned method.

Correct Reverse Coil

Fig. 3-4-1 Welding cables instruction

 

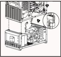
4. ROBOT SYSTEM

4.1 System components

This series inverter welding machine is specially designed for working with robot, it needs follow parts to combine robot welding system.

  1. Robot Control cabinet
  2. welding machine
  3. water cooler
  4. Robot control cable
  5. Wirefeeding cable
  6. Wire box
  7. Guide wire tube
  8. Wirefeeder
  9. Torch
  10. Robot body
  11. Robot support
  12. Tooling table

4.2 Installation

Power supply and cable requirement
Model AMIG500PR Plus
Power supply 3phase AC380/400/415V±10%, 50/60Hz
Electricity grid min. power (KVA) Power grid 31KVA
Generator 48KVA
Input protection(A) Fuse 5A
Circuit breaker 63A
Cable size (mm²) Power cord ≥6mm²
Welding cable 70mm²
Protective GND wire ≥6mm²

Note! Welding machine must be taken special design if it is powered by generator, please contact with manufacturer if you have such needs.

Warning! Be careful! Short circuit will cause the risk of personal injury and property loss.

  • Operating by professional electrician
  1. The user should have a corresponding power distribution cabinet and a corresponding circuit breaker, and its current rating should be greater than or equal to the rated current specified on the nameplate of the welding power source;
  2. Please connect according to the diagram or other correct way, the yellow-gree

Welding cable connection

  1. Plug one end of the ground cable to the output socket (-) of power source and turn it to fasten it,connect the other end of the ground cable to the work piece.
  2. Connect the welding power source and the wire feeder with a control wire.
  3. Connect welding power source and wire feeder with welding cable.
  4. Connect the water outlet of the water cooler and the wire feeder with a blue water pipe.
  5. Connect the water inlet of the water cooler and the wire feeder with a red water pipe.

Gas cylinder installation

Warning! The falling of the gas cylinder will bring the risk of personal injury and property damage.

  1. Place the gas cylinder in a flat place and fix it.
  2. Remove the protective cap of the cylinder.
  3. Open the cylinder valve and close it immediately to blow off all dust.
  4. Tighten the gas meter to the gas cylinder.
  5. Use a gas pipe to connect the protective gas hose to the gas meter; the recommended gas flow is 15 ~ 20L / min.
  6. Connect the gas meter heating device cable to the heating power output socket on the rear panel

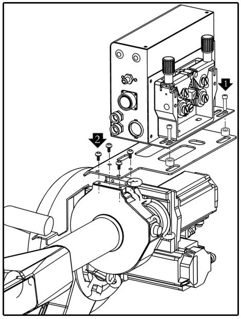
Water cooler installation

  1. . Place the power supply above the water cooler, and use the M8 hex head bolts provided by the original factory to fix the power supply and the water cooler.
  2. . Connect the harness of the control plug of the water cooler in the power supply to the harness of the control socket in the water cooler.

Wire feeder installation

Note!Insulation pads and insulation sleeves must be used for insulationbetween the wire feed mechanism and the wire feeder bracket. Make sure that the fixing bolts are not in contact with any conductive objects.

  1. Fix the wire feed mechanism on the wire feeder bracket with screws.
  2. Fix the wire feeder bracket on the four bolts on the axis of the robot (for the specific position, refer to the robot specification).

Communication controller installation

  1. Place the communication controller in the position shown in the figure.
  2. Use two screws to fix the communication controller.

Torch Installation

  1. Connect the tail of the torch to the welding torch interface of the wire feeder.
  2. Connect the red water hose of the torch to the red water port of the wire feeder.
  3. Connect the blue water hose of the torch to the blue water port of the wire feeder.

Comments Box SVG iconsUsed for the like, share, comment, and reaction icons
Cover for JTC Laser
JTC Laser

JTC Laser

895,373 Likes

Intelligent robot workstations, intelligent work islands, providing the entire process (cutting, assembly, welding, grinding, inspection, etc.) of intelligent applications for the non-standard metal structure manufacturing industry.

Just place the components randomly, and leave the rest to the intelligent welding system. See MoreSee Less

2 days ago

Reverse Modeling and Welding for Mechanical Products See MoreSee Less

4 days ago

1 CommentComment on Facebook

Mantap

Gas cylinder tank welding See MoreSee Less

5 days ago

5 CommentsComment on Facebook

Way cool how do you program the macine and zeros it in??

Précision extrême

I need Robatic laser welding machine pls contact with me

0934524174

Load More

A new round of technical R&D and internal testing is underway, solely to deliver a better experience to users.
Ship Panel Block Assembly.
See MoreSee Less

5 days ago
Load more

Latest News

Contact Details

Subscribe Us

Join our newsletter; you will receive our newest videos/tips of our laser marking, cutting, welding, cleaning and cladding machine’s latest prices and the latest promotional news


You will also get our monthly report of best products, and also coupons.

Inquire Now

Feel free to inquire now. We are always here to help you.

¡Consulta ahora!

Siéntase libre de hacer su consulta ahora. Siempre estamos aquí para ayudarlo.

استفسر الآن

لا تتردد في الاستفسار الآن. نحن دائمًا هنا لمساعدتك.

Связаться сейчас

Не стесняйтесь задавать вопросы. Мы всегда готовы помочь вам.